Пневмогидравлические насосы

Насос одностороннего действия, который давление 700 бар при давлении воздуха всего 5,5 бар. Чрезвычайно низкий уровень шума и малый вес достигнуты, благодаря использованию пластических материалов при производстве насосов.
Насос оснащен предохранительным клапаном для защиты от перегрузок.
Педаль действует в качестве распределителя. При нажатии на педаль, масло нагнетается в цилиндр или возвращается в емкость насоса, соответственно.
Насос сохраняет давление в состоянии покоя. Педаль может быть ножной или ручной. По запросу мы также поставляем насосы с большей емкостью и клапанами для цилиндров двустороннего действия.



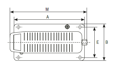
| Тип | Нагрузка см3 |
A мм |
B мм |
С мм |
D мм |
E мм |
H мм |
J мм |
K мм |
L мм |
M мм |
Вес кг |
| AHPD 2000 | 2400 | 320 | 155 | 233 | 233 | 90 | 129 | 147 | 20 | 109 | 365 | 6,3 |
| AHP 2000 | 2400 | 320 | 155 | 209 | 233 | 90 | 127 | 119 | 20 | 109 | 365 | 6,3 |
| AHPD 4000 | 5000 | 420 | 240 | 244 | 380 | 222 | 140 | 158 | 20 | 140 | 420 | 14 |
| AHP 4000 | 5000 | 420 | 240 | 221 | 380 | 222 | 139 | 130 | 20 | 120 | 420 | 14 |
| AHP 2000/1000 | 2400 | 320 | 155 | 233 | 233 | 90 | 129 | 147 | 20 | 109 | 365 | 6,3 |