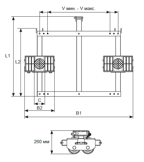
Контейнерная траверса

с твистлоками, до 60 тонн, высота 260 мм
- Безопасная перевозка ISO и спец. контейнеров до 60 тонн.
- Транспортировка контейнера на минимальной высоте.
- Совместим со всеми контейнерами стандарта ISO. Блокировка твистлоками на ширине 2,26 (не регулируется).
- Состоит из двух частей для легкого использования и хранения.
- По запросу может быть установлена трапеция для буксировки.
- Траверса не выходит за габарит контейнера.
- Груз закреплен на шасси, что обеспечивает максимальную грузоподъемность траверсы.


Возможные комплектации:
| Рулевая платформа | Платформы | Общая грузоподъемность |
| 2xJKB 4 K | 1xJFB 7 K | 15000 |
| 2xJKB 6 K | 1xJFB 10 K | 22000 |
| 2xJKB 7,5 K | 1xJFB 14 K | 29000 |
| 1xJTLB 14 K | 1xJFB 14 K | 28000 |
| 2xJKB 10 G | 1xJFB20G | 40000 |
| 2xJKB14 G | 1xJFB 30 G | 58000 |
| 2xJLF5 | 2xJLF5 | 20000 |
| 1xJLAe 15/30 G | 1xJFB 15 G | 30000 |
| 1xJLAe 25/50 H | 1xJFB25 G | 50000 |
| 1xJTL20 G | 1xJFB20G | 40000 |
| 1xJTLB 30 G | 1xJFB 30 G | 60000 |



Пример: Контейнерная траверса подходит для совместной работы со всеми парными управляемыми системами. Траверса крепко привинчена к поворотным тележкам что формирует безопасный транспортный узел.
Домкрат изготовленный на заказ:
