Главная / Продукция / Jung Hebe und Transporttechnik / Транспортные тележки и самоходные транспортные тележки / Двойные тележки JTLB 20/30 G
Двойные тележки JTLB 20/30 G

до 30 тонн, высота 180 мм
- Увеличенный диаметр 140 мм роликов и ширины 59 мм имеют оптимальные характеристики качения на неровной поверхности.
- Безопасно переедет небольшие выступы, трещины в бетоне и утопленные рельсовые пути.
- Многоцелевое использование: могут использоваться как две отдельные платформы, каждая в половину грузоподъемности. Дополнительных комплектующих не требуется. Поставляются с 2-мя тягами.
- Индивидуальные решения возможны.


Доступно с:
- Полиуретановое покрытие JUWAthan®plus-coated aluminium core для любых полов
Доп. информация по роликам ищите здесь

Опция: контейнерная траверса с твистлоками

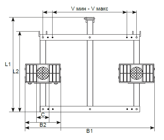
| Г рузоподъемность | 20 тонн | 30 тонн | ||
| Параметр | JTL 20 G | JTLB 30 G | ||
| Грузоподъемность | кг/lbs | 20000/44100 | 30000/66100 | |
| Кол-во роликов | шт./pcs. | 16 | 24 | |
| Размеры роликов | Диам*l | мм/in | 140*59/5,5"*2,3" | 140*59/5,5"*2,3" |
| Высота | мм/in | 180/7,1" | 180/7,1" | |
| Площадь поворотной опоры | Диам.C | мм/in | 170/6,7" | 215/8,5" |
| Габариты тележки | L2*B2 | мм/in | 1020*440/40,2"*17,3" | 1328*610/54,3"*24,0" |
| Ширина соединительной тяги | E | мм/in | 1330/52,4" | 1700/66,9" |
| Регулировка ширины рабочей | мм/in | 900-1230/35,4"-48,4" | 1270-1600/50"*63" | |
| Регулировка | 3x | 3x | ||
| Габариты | L1*B1 | мм/in | 1260*1670/49,5"*65,6" | 1620*2200/63,8"*86,6" |
| Рукоять с проушиной | Длина | мм/in | 1230/48,4" | 1230/48,4" |
| Вес | кг/lbs | 168/370 | 283/624 | |
*доступны другие длины
